18. GX - automatisk start/stopp av generator
18.1. Introduktion
Genom att integrera en AC- eller DC-generator med en GX-enhet blir följande funktioner tillgängliga:
Allmänna funktioner:
Automatisk generatorstyrning: Starta och stoppa generatorn automatiskt genom att använda funktionen ”Automatisk start/stopp av generator” som baseras på flera systemvillkor.
Manuell styrning och schemaläggning: Starta och stoppa generatorn manuellt med alternativet att schemalägga en klockad drift.
Servicespårning: Övervaka drifttimmar och serviceintervall.
Utökad generatorlivslängd: Integrerade uppvärmnings- och nedkylningsfunktioner säkerställer korrekt smörjning före tillämpning av belastningar och förhindrar plötsliga driftstopp.
För anslutna generatorer:
Prestandaövervakning: Se AC- eller DC-produktionsdata.
Spårning av motorparametrar: Övervaka tryck, temperatur, varv/min, startbatterispänning och bränsletanksnivåer.
Varningar om fel: Få meddelanden om systemfel.
DVCC-stöd: Utvalda DC-generatorer stödjer Distributed Voltage and Current Control (se kapitlet Kontroll av distribuerad spänning och ström - DVCC).
Övervakning och styrning är inte enbart tillgängligt på själva GX-enheten utan även genom VRM-portalen och appen Marine MFD HTML5. För mer information se kapitel VRM-portal och Marin MFD-integration via app..
Mer allmän information om hur man planerar ett Victron-system med en generator finns även tillgänglig i FAQ om MultiPlus generator.
18.2. Hur man integrerar
Det finns två alternativ för integration:
Relästyrd integration: En kopplad potentialfri start/stoppsignal stödjs via Relä 1 på GX-enheten (se avsnitt 17.2.7 för relästyrd start/stoppsignal).
Integration med ansluten generator: Om generatorn eller dess regulator finns med på listan nedan stödjs digital kommunikation för avläsning och styrning via VE.Can, Ethernet eller RS485 (med en RS485 till USB-omvandlare som Victron RS485 till USB-gränssnitt).
AC-generatorregulator som stödjs för integration av anslutna generatorer
Tillverkare | Modell | Anslutningstyp | Anmärkningar |
|---|---|---|---|
ComAp | InteliLite 4 AMF 25 InteliLite 4 AMF 20 InteliLite 4 AMF 9 InteliLite 4 AMF 8 InteliLite 4 MRS 16 | Ethernet | |
CRE-teknik | Compact AMF Gensys Compact Prime Gensys Compact Mains | Ethernet | |
Deep Sea Electronics | DSE4620 | Ethernet eller RS485 | För Ethernet: Se 1) För RS485: Se 2) och 3) |
DSE6120 | |||
DSE4510 MKII | |||
DSE4520 MKII | |||
DSE6110 MKII | |||
DSE6120 MKII | |||
DSE7310 MKII | För Ethernet: Se 1) För RS485: Se 3) | ||
DSE 7410 MKII | För RS485: Se 4) | ||
DSE 7420 MKII | |||
DSE8610 MKII | |||
DSE8620 MKII | |||
DSE8660 MKII | |||
DEIF | AGC 150 Generator | Ethernet eller RS485 | För RS485: Se 4) |
AGC 150 Hybrid | |||
AGC 150 PMS Lite | |||
Fischer Panda | xControl | VE.Can | |
iGenerator | |||
fpControl | |||
1) Denna modell inkluderar inte Ethernet-anslutning. Därför krävs Deep Sea Electronics DSE855 USB-till-Ethernet-kommunikationsenheten eller en annan Ethernet-anpassad DSE-port. 2) Denna modell inkluderar inte RS845-anslutning. Därför krävs Deep Sea Electronics DSE857 USB-till-RS485-kommunikationsenheten eller en annan RS485-anpassad DSE-port. 3) Hjelmslund Electronics USB485-STIXL Isolerad USB till Rs485-omvandlare krävs (https://hjelmslund.eu/) 4) Denna modell inkluderar en inbyggd isolerad RS485-port; men trots det krävsVictron RS485 till USB-gränssnittet. | |||
DC-generatorregulator som stödjs för integration av anslutna generatorer
Tillverkare | Modell | Anslutningstyp | Anmärkningar |
|---|---|---|---|
Fischer Panda | fpControl | VE.Can | |
Hatz | fiPMG | VE.Can | Stödjer DVCC-spänningskontroll |
Viktigt
GX-enheten stödjer endast en ansluten generatorregulator Vid integration via Ethernet ska du säkerställa att GX-enheten endast får åtkomst till en generatorkontroll.
18.2.1. Relästyrd start/stoppsignal
De flesta generatorer stödjer en extern start/stoppsignal, vanligtvis via en potentialfri kontakt. När kontakten stängs startar generatorn och när den öppnas stoppar den.
Vissa generatorer kräver pulsade signaler i stället för en kontinuerlig anslutning. I sådana fall kan ytterligare tidreläer behövs (se nedan). Vi hänvisar alltid till generatormanualen eller att du rådgör med leverantören för information om kabelkonfigurationen av den fjärrstyrda startsignalen.
På GX-enheten måste Relä 1 användas för att styra generatorn. Efter att ha kopplat generatoringången till Relä 1 ska du gå till Inställningar → Integrationer → Reläer → Funktion (Relä #) → Generator start/stopp. När Relä 1 har konfigurerats till ”Generator start/stopp” kan relaterade inställningar nås vis Inställningar → Enheter → Generator. |
18.3. Start/stopp-meny för generator
Den allmänna översiktssidan för generatorns start-/stoppfunktion kan nås från Inställningar→ Enheter → Generator. Den här sidan kan användas för att övervaka generatorns status, se felstatus, få åtkomst till drifttid och service samt göra nödvändiga inställningar.
De enskilda menyposterna har följande funktioner:
| |
(*) Endast tillämpligt på anslutna generatorer. (*2) Endast tillämpligt på anslutna DC-generatorer. | |
18.4. Inställningsmeny
Skrolla ner och klicka på inställningar för att öppna inställningsmenyn i menyn för start/stopp av generatorn.
|
18.4.1. Larm när autostart-funktionen är inaktiv.
Om det här alternativet är aktiverat utlöses ett larm när autostart-funktionen har varit inaktiv i över 10 minuter. Detta är särskilt användbart när generatorn nyligen har servats och serviceteknikern har glömt att sätta tillbaka generatorn i autostart-läge. Denna funktion säkerställer att autostart-funktionen inte förblir inaktiv av misstag. För en digitalt ansluten generator, såsom DSE, ComAp och Fischer Panda, kontrollerar funktionen även så fjärrstart är aktiverat på generatorpanelen. Två larm kan utlösas:
|
18.4.2. Meny för drifttids- och serviceintervall
Varje generator måste servas efter en viss tid. Den rekommenderade underhållsfrekvensen för en generator beror på dess användning och drifttid. Den här menyn tillåter dig att ställa in ett serviceintervall och startar en räknare som genererar en varning när det är dags för underhåll. Menyposterna i detalj:
|
18.4.3. Uppvärmnings- och nedkylningsmeny
Uppvärmnings- och nedkylningsmenyn gör det möjligt att ställa in den tid generatorn behöver för att värmas upp eller kylas ned före eller efter drift. Detta styrs via reläkontroll medan AC-ingångsreläet är öppet och växelriktare/laddaren inte är anslutet till det.
Denna meny används även för digitalt anslutna generatorer (t.ex. över Modbus) där GX-reläet inte används.
Observera att den här funktionen kräver att VE.Bus-växelriktare/laddaren har fast programvaruversion 502 eller nyare. Den stöds även på Multi RS växelriktare/laddare som har fast programvara v1.17 eller nyare.
Uppvärmningstid:
Nedkylningstid:
Stopptid generator:
|
18.5. Auto start/stopp-villkor
Vid kommunikationsförlust: Om det uppstår en kommunikationsförlust mellan Cerbo GX och VE. Bus växelriktare/laddaren och det finns inställda parametrar för generator start/stopp som är avhängiga denna data ska du välja en av följande åtgärder:
Stoppa generator när AC-ingång finns tillgänglig: Användbart för reservsystem när en Quattro är ansluten till huvudnätet på AC-in 1 eller AC-in 2 och har en generator ansluten till den andra AC-ingången. När detta alternativ är aktiverat stoppar inte generatorn förrän huvudnätspänningen är återställd efter ett avbrott. |
Följande parametrar kan användardefinieras för att utlösa en automatisk start/stopp av generator:
(Värdet som mäts här kommer att vara systemets totala AC-förbrukning).
Villkorsparametrar prioriteras enligt den ordning som listas ovan. När flera villkor uppnås samtidigt visas endast det högst prioriterade villkoret som aktivt. Alla aktiva villkor utvärderas -även om generatorn redan är i drift. När det aktiva villkoret har tillgodosetts, fortsätter en ej uppnådd parameter i ett lägre prioriterat villkor att driva generatorn.
18.5.1. Stoppa generator när AC-ingång är tillgänglig
Det här alternativet är utmärkt för reservsystem där en Quattro har en AC-ingång ansluten till nätström och den andra ansluten till en generator.
När detta alternativ är aktiverat och AC-ingångens anslutning till nätet är fastställd stoppar generatorn automatiskt när huvudnätspänningen är återställd efter ett nätavbrott. Processen utförs enligt följande steg:
Först stängs generatorn av.
,En nedkylningsperiod tillämpas, baserad på inställningarna.
Ytterligare 15 sekunder tillåts för generatorn att slutföra nedstängningen.
|
18.5.2. Start/stopp baserat på Batteri-SoC:
Denna funktion tillåter generatorstyrning baserad på nivån på batteriets laddningsstatus (State of Charge, SoC).
|
18.5.3. Start/stopp baserat på batterispänning
Denna funktion tillåter generatorstyrning baserad på batterispänningsnivån.
|
18.5.4. Start/stopp baserat på AC-belastning
AC-belastningsutlösaren fungerar ungefär som andra utlösare men funktionen har förfinats med en mätningsinställning. Mätningsinställningen finns tillgänglig på fast programvaruversion v2.0 eller nyare och har tre möjliga värden:
|
18.5.5. Start/stopp baserat på hög temperatur i växelriktare
Denna funktion tillåter att generatorn aktiveras baserat på temperaturvarningar i växelriktaren.
|
18.5.6. Start/stopp baserat på överbelastning av växelriktare
Denna funktioner tillåter aktivering av generatorn som svar på en varning om överbelastning av växelriktare.
|
18.5.7. Start/stopp baserat på tanknivå
Denna funktion tillåter inaktivering av generatorn baserat på tanknivå vilket förhindrar luftfickor när tanken körs tom.
|
18.5.8. Periodisk drift
Den här funktionen möjliggör en periodisk automatisk generatorstart.
|
18.5.9. Manuell start-funktion
Använd funktionen för manuell start för att starta generatorn på distans. Du kan även trycka på start när generatorn redan är i drift, vilket förhindrar att den stoppar automatiskt när villkoret som fick den att starta har uppnåtts. Med andra ord förbigår den manuella start-funktionen parametrarna för autostopp.
Sätt att starta generatorn manuellt:
ObserveraOm generatorn startas manuellt (på distans) utan en stoppklocka (funktionen klockad drift) kommer den att köra i all oändlighet tills den stängs av manuellt.
|
18.5.10. Tysta timmar
Funktionen Tysta timmar tillåter dig att fastställa en period under vilken oljudet från en generator i drift skulle innebära en störning. Under den här perioden startar generatorn endast om det är absolut nödvändigt, tack vare justerade villkor för autostart.
Hur man aktiverar tysta timmar
Observera att om start- och stopptiderna är inställda på samma värde kommer funktionen tysta timmar att förbli permanent aktiv. |
Använda ”Tysta timmar” som ett verktyg för att definiera två stycken användarpreferenser
Funktionen ”Tysta timmar” kan även användas för att anpassa hur ditt system ska svara på olika villkor, till exempel:
Tidig morgon/låg SoC: Batteriets SoC är oftast som lägst på morgonen. Om det dessutom är molnigt direkt på morgonen eller om panelerna sitter i västerläge och funkar bättre på eftermiddagen kanske generatorn startar automatiskt på morgonen på grund av den låga batteristatusen. Senare på dagen däremot, när solproduktionen ökar, blir kanske generatorns jobb helt onödigt. Genom att ställa in Tysta timmar under den här perioden, tillsammans med lägre villkor för autostart kan du undvika att generatorn startar automatiskt i onödan och istället använda den tillgängliga solenergin på ett bättre sätt.
Semesterboende: I ett semesterboende är energibehovet markant högre när det är bebott än när det står tomt. Funktionen tysta timmar kan vara till hjälp genom att sätta en lägre gräns för autostart när huset används och en högre gräns när det står tomt.
För att tillämpa detta:
Ställ in tysta timmar som ett permanent villkor (se ovan) när huset är bebott.
Stäng AV tysta timmar när huset är tomt för att tillåta att generatorn beter sig enligt standard.
18.6. ComAp-regulator
18.6.1. Introduktion
Hur fungerar det?
GX-enheten kommunicerar (läser/skickar) med InteliLite 4-panelen via Modbus TCP över Ethernet, genom att använda ComAp CM3-Ethernetmodulen (krävs) som kommunikationsgränssnitt. Modbus-registren måste återmappas med InteliConfig-programvaran.
I bilagan hittar du en översikt över alla Modbus-register och deras erfordrade mappning. Modbus hållregister för regulatorn ComAp InteliLite 4
Efter att ha tillämpat mappningen känner GX-enheten automatiskt av närvaron av en ComAp InteliLite 4-regulator genom att använda identifieringssträngen som finns i Modbus-registret 1307. Den känner av alla moduler med ett namn som börjar med InteliLite4. Den här identifieringssträngen visas även i rubriken på InteliConfig-fönstret.

18.6.2. Krav
GX-enhet med VenusOS v3.42 eller senare
ComAp-regulator som stöds
CM3-Ethernet-modul (ComAp beställningskod: CM3ETHERXBX)
Det kan även fungera med beställningskoden för den vanliga CM Ethernet-modulen (ComAp beställningskod: CM2ETHERXBX), men det har inte testats.
Ethernet-nätverksutrustning
18.6.3. Installation och konfigurering
För installation och konfigurering krävs endast några få steg. Du behöver bara aktivera Modbus-servern i din CM Ethernet-modul. Detta kan du göra från kontrollpanelen eller genom att använda regulatorns programvara, InteliConfig, som du kan ladda ner från ComAp:s webbsida.
Ingen ytterligare konfigurering av ComAp CM3-Ethernet-modulen krävs.
Modbus-registren måste justeras med InteliConfig-programvaran i enlighet med registerlistan så som det beskrivs i Modbus hållregister för regulatorn ComAp InteliLite 4.
Konfigurering av ComAp-regulator
Följande process beskriver stegen när du använder InteliConfig-konfigureringsprogram. Se till att du har den senaste versionen och att du är ansluten till regulatorn.
Säkerställ korrekta enheter/effektformat:
Välj konfigureringsfliken Regulator
Välj Annan
Välj Enheter/Effektformat
Säkerställ att Enheter är inställt på ”Metrisk - 20 °C, 10,0 Bar, 11,4 l/h och effektformat är inställt på ”Standard 1 kW/kVA/kVAr 1 V”.

Välj sensorer
Välj ”VDO 10 Bar” och säkerställ att upplösningen är inställd på "0,1" och att dimningen är inställd på "Bar".

Välj nu ”VDOLevel %r” och säkerställ att upplösningen är inställd på "1" och att dimningen är inställd på "%".

Återmappning av Modbus-register:
Välj MODBUS i samma fönster
Ladda ner Modbus-mappningsfilen för Victron Energy: ComAp InteliLite GX mappning
Längst ner, under Import/Export, klicka på importsymbolen till höger
Välj den nedladdade mappningsfilen och klicka på ”OK”.
I det lägre högra hörnet, klicka på ”Skriva”-knappen för att spara konfigurationen till regulatorn.
UMOD-filen för ComAp Modbus-mappning innehåller de nödvändiga Modbus-registermappningar som krävs av GX-enheten. Ett för människor läsbart fortmat av mappningen hittar du även i bilagan: Modbus hållregister för regulatorn ComAp InteliLite 4.


Aktivering av regulatorns Modbus-server
Välj fliken Börvärde (Setpoint).
Välj CM Ethernet-modulen i menyn som följer.
Aktivera Modbus-servern

Konfigurering av GX-enhet
När GX-enheten och generatorregulatorn är anslutna till samma nätverk kommer regulatorn automatiskt att visas i enhetslistan. Bilden visar ett exempel på en DSE-generatorregulator. Kontrollera Modbus-inställningarna på GX-enheten om regulatorn inte visas, genom att gå till Inställningar → Integrationer → Modbus-enheter. Säkerställ att automatisk sökning (skanning) är aktiverad (detta är en standardinställning) eller sök efter enheten manuellt. Den bör hittas och finnas med på listan i undermenyn Hittade enheter. För en pålitlig drift ska du hålla automatisk skanning aktiverad så att nätverket söks igenom var tionde minut. Om IP-adressen ändras kommer enheten att hittas på nytt. Vi rekommenderar dig dock att utse en statisk IP-adress till regulatorn för att undvika oväntade kommunikationsbortfall. |
18.7. CRE-teknikregulator
18.7.1. Introduktion
Hur fungerar det?
GX-enheten kommunicerar med CRE-regulatorn genom att läsa och skicka data i enlighet med regulatorns Modbus-TCP-specifikationer och den använder CRE-regulatorns Ethernet-anslutning.
Genom att använda de identifieringsvärden som har hämtats via Modbus känner GX-enheten automatiskt av regulatorns närvaro.
18.7.2. Krav
GX-enhet med VenusOS v3.50 eller senare
CRE-regulator med fast programvaruversion v2.0 eller senare som stöds
Ethernet-nätverksutrustning
18.7.3. Installation och konfigurering
Förkrav
CRE-regulatorn gör det möjligt för dig att ändra enheterna för tryck och temperatur. GX-enheten förväntar sig dock att oljetrycket ska ställas in i bar och temperaturen i °C. Säkerställ att enheterna är korrekt inställda.
Konfigurering av GX-enhet
När GX-enheten och generatorregulatorn är anslutna till samma nätverk kommer regulatorn automatiskt att visas i enhetslistan. Bilden visar ett exempel på en DSE-generatorregulator. Kontrollera Modbus-inställningarna på GX-enheten om regulatorn inte visas, genom att gå till Inställningar → Integrationer → Modbus-enheter. Säkerställ att automatisk sökning (skanning) är aktiverad (detta är en standardinställning) eller sök efter enheten manuellt. Den bör hittas och finnas med på listan i undermenyn Hittade enheter. För en pålitlig drift ska du hålla automatisk skanning aktiverad så att nätverket söks igenom var tionde minut. Om IP-adressen ändras kommer enheten att hittas på nytt. Vi rekommenderar dig dock att utse en statisk IP-adress till regulatorn för att undvika oväntade kommunikationsbortfall. |
18.8. DSE- Deep Sea stöd av generatorregulatorer
18.8.1. Introduktion
Genom integration av Deep Sea Electronics (DSE) generatorregulatorer med en GX-enhet är det möjligt att läsa ut AC-data, oljetryck, kylmedelstemperatur, tanknivå, antal motorstarter och ytterligare statusavläsningar. Den stödjer dessutom digitala start/stoppsignaler från GX-enheten.
Hur fungerar det?
GX-enheten kommunicerar med regulatorn från Deep Sea Electronics (DSE) genom att läsa och skicka data via”GenComm” Modbus-specifikationen. Denna kommunikation sker antingen via DSE-regulatorns egna Ethernet-anslutning eller, för regulatorer utan ett Ethernet-gränssnitt, via en Deep Sea Electronics DSE855 USB-till-Ethernet-kommunikationsenhet eller en annan kompatibel Ethernet-anpassad DSE-portgång som stödjer Modbus-TCP.
Genom att använda de identifieringsvärden som har mottagits via Modbus känner GX-enheten automatiskt av regulatorns närvaro.
18.8.2. Krav
GX-enhet med VenusOS v3.12 eller senare
DSE-regulator som stöds
För modeller som endast erbjuder USB-anslutning (se tabellen i Hur man integrerar) krävs en Deep Sea Electronics DSE855 (eller liknande enhet).
Ethernet-nätverksutrustning
Särskilda fall: DSE 4520 MKII (Venus OS v3.50 eller senare)
Till skillnad från andra DSE-regulatorer som stöd accepterar inte DSE 4520 MKII styrkommandon via digital kommunikation. Därför måste en kopplad signal användas genom funktionen ”Hjälprelä för ansluten generator”. Ytterligare information hittar du i nästa avsnittet.
18.8.3. Installation och konfigurering
Konfigurering av GX-enhet
När GX-enheten och generatorregulatorn är anslutna till samma nätverk kommer regulatorn automatiskt att visas i enhetslistan. Kontrollera Modbus-inställningarna på GX-enheten om regulatorn inte visas, genom att gå till Inställningar → Integrationer → Modbus-enheter. Säkerställ att automatisk sökning (skanning) är aktiverad (detta är en standardinställning) eller sök efter enheten manuellt. Den bör då hittas och finnas med på listan i undermenyn Hittade enheter. För en pålitlig drift ska du hålla automatisk skanning aktiverad så att nätverket söks igenom var tionde minut. Om IP-adressen ändras kommer enheten att hittas på nytt. Vi rekommenderar dig dock att utse en statisk IP-adress till regulatorn för att förhindra oväntade kommunikationsbortfall. |
Hjälprelä för ansluten generator
Relä 1 på GX-enheten kan konfigureras som ett: Hjälprelä för ansluten generator.
Denna inställning tillåter Relä 1 att fungera parallellt med de digitala styrkommandona från en ansluten DSE 4520 MKII. Relä 1 förblir öppet medan generatorn har stoppats och stänger direkt när startkommandot ges.
Denna funktion är användbar för:
För kopplingsinstruktioner hänvisar vi till Relästyrd start/stoppsignal |
18.9. DEIF regulator
18.9.1. Introduktion
Hur fungerar det?
GX-enheten läser och skickar data till DEIF-regulatorn via regulatorns Modbus-specifikation, genom att använda antingen Ethernet-anslutningen eller RS485-Port 1 på DEIF-regulatorn. Genom att använda de identifieringsvärden som har hittats via Modbus känner GX-enheten automatiskt av regulatorns närvaro.
18.9.2. Krav
GX-enhet med Venus OS v3.50 eller senare
DEIF AGC 150-regulator som stöds, med fast programvaruversion 1.19.0 (från maj 2024) eller senare
För integration via Ethernet: Ethernet-nätverksutrustning
För integration via RS485: Victron Energy RS485 till USB-gränssnitt (artikelnummer ASS030572050 eller ASS030572018)
18.9.3. Installation och konfigurering
Inställning av rätt skalningsparameter I nuläget stöds endast standardvärdet för regulatorns ”Skalningsparameter” (Kanal 9030, värde 100 till 25 000 V). Säkerställ att den här inställningen är korrekt innan anslutning. Inställningen finns tillgänglig via regulatorns skärm vid Parameter → Grundläggande inställningar → Inställning av mätning → Skalning→ Skalning. För att göra ändringarna måste du ange huvudlösenordet (standard: 2022) och ställ in den på standardintervallet på 100 till 25 000 V. | ![]() |
För Ethernet-anslutning Använd DEIF-regulatorns Ethernetport för att ansluta den till samma Ethernet-nätverk som GX-enheten. |
För RS485-anslutning Serien av DEUF AGC 150-regulatorer har två RS485-portar, varav Port 1 är galvaniskt isolerad. Galvanisk isolering förhindrar så kallade jordslingor, som annars kan leda till skada på enheten på grund av oönskade strömmar. Därför måste Port 1 användas enligt förklaringen i tabellen. Efter att du har anslutit regulatorn till GX-enheten ska du använda regulatorns skärm och navigera fram till Parametrar → Kommunikation→ RS485 → RS485 1 → Parametrar, och ange huvudlösenordet (standard är 2002) och ställa in parametrarna enligt följande:
|
| |||||||||||||||||||||
![]() |
Konfigurering av GX-enhet När GX-enheten och generatorregulatorn är anslutna kommer den automatiskt att visas i enhetslistan. Om du använder Ethernetmetoden och den inte visas ska du kontrollera Modbus-inställningarna på GX-enheten, Inställningar→ Integrationer → Modbus-enheter, och säkerställa att automatisk skanning är aktiverad (standardinställning) eller söka efter den. Den bör hittas automatiskt och visas i undermenyn Hittade enheter. För att detta ska fungera på ett pålitligt sätt måste automatisk skanning vara påslaget. Nätverket skannas var tionde minut. Om IP-adressen ändras kommer enheten att hittas på nytt. Vi rekommenderar dig trots det att utse en statisk IP-adress till regulatorn för att förhindra oväntade kommunikationsbortfall. |
18.10. Support för Fischer Panda-generator
18.10.1. Introduktion
GX-enheten läser och skickar data till Fischer Panda-generatorn via en VE.Can-anslutning genom att använda Fischer Panda SAE J1939-modulen (krävs). Både AC- och DC-generatorer stöds.
18.10.2. Krav
GX-enhet med fast programvara v2.07 eller senare
Fischer Panda-generator, xControl, iGenerator eller fpControlGC
Fischer Panda SAE J1939 CAN-modul (artikelnummer 0006107)
Fischer Panda FP-Bus-till-VE.Can-adapter (artikelnummer 0023441)
Tillval: FP-CAN till NMEA 2000 (FP Art.nr 0031409)
Krav gällande Fischer Pandas fasta programvara:
iControl (för iGenerator): v2.17 eller högre
iControl-panel: inget lägsta krav
xControl (för de konstanta hastighetsgeneratorerna): 4V38 eller högre
xControl panel: 4V29
fpControl (för AC- och DC-generatorer): alla versioner
fpControl Panel: 4V29 eller högre
Fischer Panda SAE J1939 CAN-modul: 2V05 eller högre
Fischer Panda trefasmodul: 4V0b eller högre
Fischer Panda NMEA 2000-gränssnitt: 2V11 eller högre
18.10.3. Installation och konfigurering
Anslutning av en Fischer Panda xControl-generator
Schemat nedan visar hur man ansluter en Fischer Panda xControl-generator.
![]() |
Anslutning av en Fischer Panda iControl-generator
Schemat nedan visar hur man ansluter en Fischer Panda iControl-generator.
![]() |
Anslutning av en Fischer Panda fpControl-generator
Schemat nedan visar hur man ansluter en Fischer Panda fpControl-generator.
![]() |
18.10.4. Konfigurering och övervakning av GX-enhet
Viktigt
Viktigt: Generatorn kan och får endast användas när xControl- eller fpControl- eller iControl-panelen är påslagen.
Säkerställ att den valda CAN-buss-profilen i Inställningar → Anslutningsbarhet är VE.Can (250kbit/s)". Detta är standardprofilen och den stödjer NMEA 2000. |
När kopplingen är slutförd och installationen har genomförts på ett korrekt sätt visas Fischer Panda-enheten i enhetslistan. |
Om du går in på Fischer Panda-enheten i menyn visas en sidan som denna: Observera att den innehåller en på/av-brytare och att den visar statusinformation samt de huvudsakliga AC-parametrarna: spänning, ström och effekt. |
Motortemperatur, RPM och ytterligare information finns tillgängliga genom att gå in på undermenyn ”motor”. |
18.10.5. Underhåll
Innan du utför underhåll på generatorn måste du alltid sluta använda Fischer Panda-kontrollpanelen. Detta inaktiverar den automatiska startfunktionen och förhindrar att generatorn startas på distans - av exempelvis en Cerbo GX.
Se till att aktivera den automatiska startfunktionen igen när underhållet är genomfört. Du kan göra detta i Fischer Panda-kontrollpanelen i menyn Generator → autostart → slå på/av.
18.11. Hatz fiPMG DC-generator
18.11.1. Introduktion
Hur fungerar det?
Hatz fiPMG DC-generatorn är en svänghjulsintegrerad permanentmagnetgenerator (PMG) som anpassar sig till varierande belastningsnivåer med variabel hastighet. Den försörjs av en Hatz E1-dieselmotor med elektroniskt styrd injektion.
Strömförsörjningsenheten (PSU) erbjuder justerbara utgångsspänningar för 28- eller 56-voltsystem samt kommunikation mellan PSU - ECU -Victron GX-enhetstillbehör SAE J1939.
Den dubbla CAN-växelriktaren har två separata CAN-portar:
CAN-port 1: Hanterar kommunikation mellan PSU (växelriktaren) och motorns styrdon (ECU).
CAN-port 2: Hanterar kommunikation mellan PSU och GX-enheten.
Besök www.hatz.com för ytterligare detaljer. Där kan du få åtkomst till kopplingsscheman och ytterligare enhetsspecifik information.
18.11.2. Krav
GX-enhet med fast programvara Venus OS v3.50 eller senare
Hatz fiPMG-generator med dubbel CAN PSU (växelriktare) för DC-utgång i 28 V eller 56 V
VE-CAN-kabel till HATZ-CAN (tillgänglig för köp från HATZ)
18.11.3. Installation och konfigurering
Anslutning av en Hatz fiPMG-generator
Schemat nedan visar hur man ansluter till Hatz fiPMG DC-generatorn med GX-enheten.

Konfigurering av GX-enhet
Säkerställ att den valda CAN-bus-profilen i Inställningar → Tjänster är "VE.Can (250kbit/s)". Detta är standardprofilen och den stödjer NMEA 2000. När GX-enheten och generatorregulatorn är anslutna kommer den automatiskt att visas i enhetslistan. |
18.11.4. Underhåll
Se handboken för fiPMG för underhållsinstruktioner.
18.11.5. Felsökning
PSU-lista över felkoder: Se www.hatz.com (CAN-protokoll E-serien)
ECU-lista över felkoder: Se www.hatz.com (Diagnosfelkoder E-serien)
18.12. Generatorstatus och förbättrade drifttimmar via en digital ingång
För en mer precis motorstatus och förbättrad spårning av ackumulerade drifttimmar på GX-enheten kan en extra torrkontaktssignalkabel användas.
Det finns två vanliga kopplingsalternativ:
Använda en potentialfri utgång på generatorregulatorn (om det stöds) för att rapportera motortillståndet.
Använda ett AC-hjälprelä på generatorns AC-linje, som stänger en potentialfri kontakt så fort som generatorn börjar förse med ström.
För att aktivera den här funktionen ska du gå till Inställningar → Integrationer → Digitala in-/utgångar och ställa in respektive ingång som ”Generator”. Efter att det är inställt kommer generatorstatus att visas i enhetslistan och den totala drifttiden fastställas baserat på statusen på den här digitala ingången. |
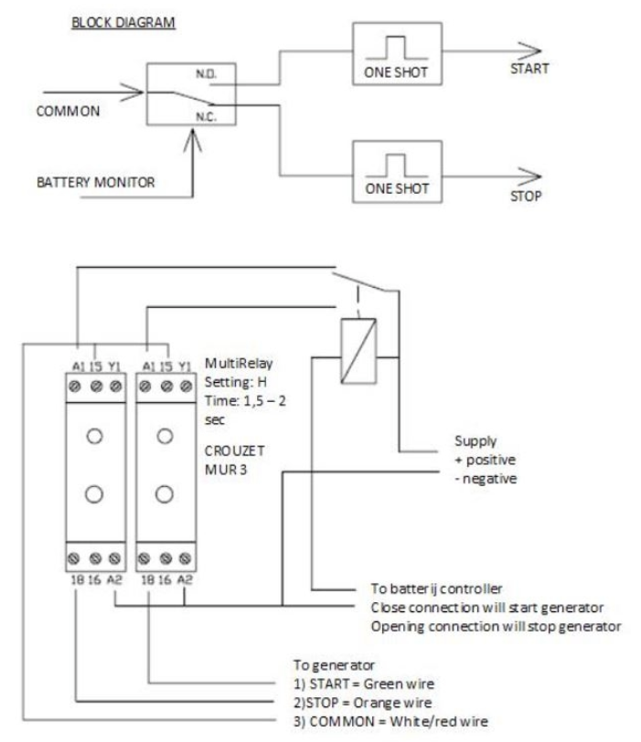
18.13. Koppling av generatorer med ett trekabelsgränssnitt
För att starta en generator med ett trekabelsgränssnitt måste öppna/stäng-kontakten omvandlas till separata start- och stoppulser. Lösningen nedan, genom att använda standardiserade tidsrelän, uppnår detta genom att:
Generera en startpuls när öppna/stäng-kontakten stänger.
Generera en stoppuls när öppna/stäng-kontakten öppnar.
Viktigt: Den här metoden ska endast användas med generatorer som har sin egen kontrollpanel för övervakning och som automatiskt stoppar om det exempelvis uppstår ett lågt oljetryck. Koppla inte detta direkt till startmotorn eller bränslesolenoiden.
![]() |






